پالایۀ هشکار
مقدمات وسایلی
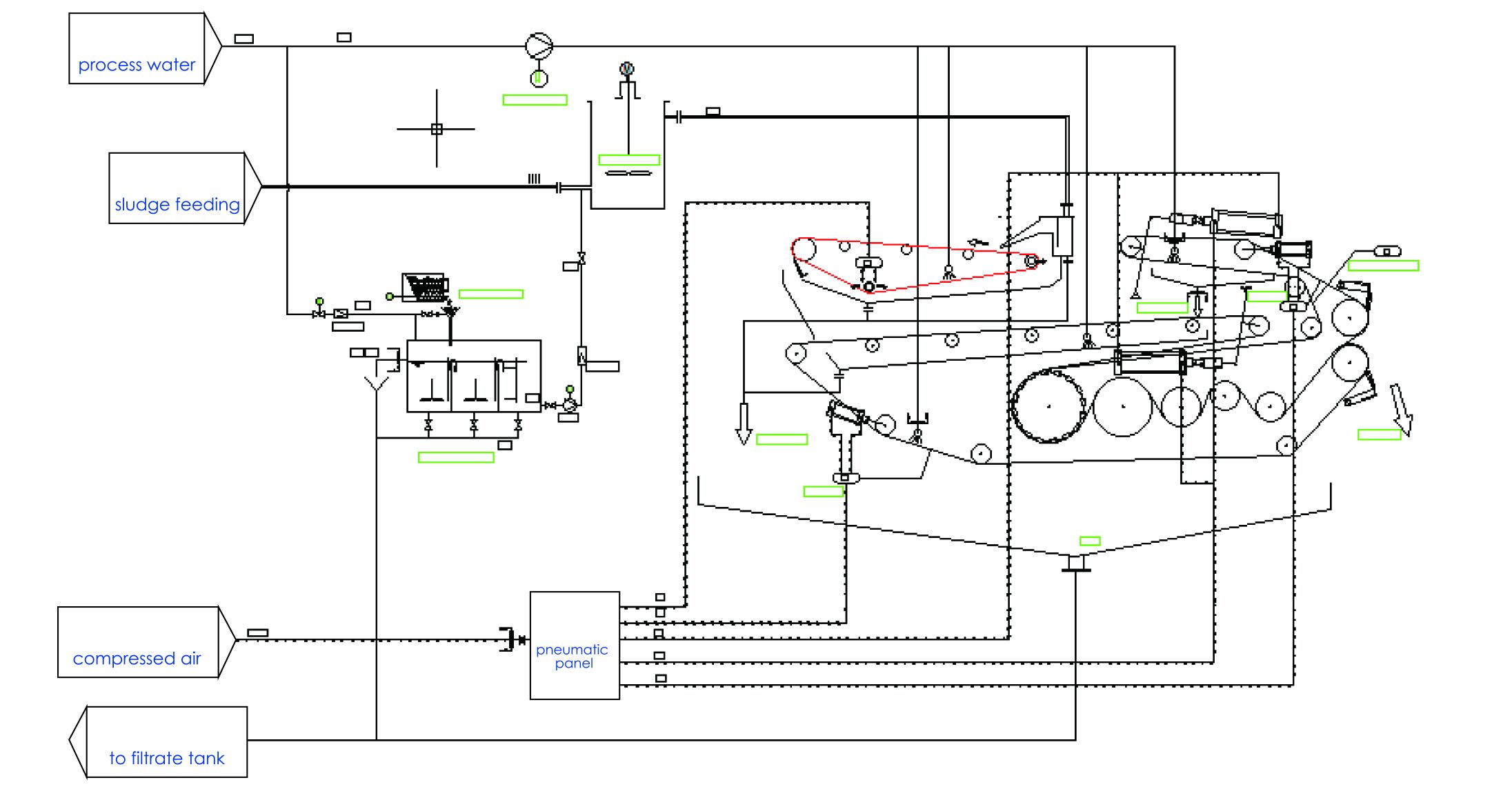
فشار فیلتر کمربند نوع DWY توسط کارخانه ما طراحی و تولید شده. کمربند فیلتر S شکل دارد، بنابراین فشار لختی به تدریج افزایش می یابد. این مواد هیدروفیلیک آلی و موادهای شیمیایی شیمیایی مناسب است. به خاطر طولاني منطقه ي اقامت این مجموعه از فیلتر مطبوعات تجربه ی فراوانی در فشار فیلتر و دشواری انواع مختلف مواد دارد. با توجه به ویژگی های متفاوتی پرینگ و لطیف ، لطیف الکترولایک لخت شيميايي ، لخت آب خوراک شهري ، معدني ، لخت فلزي سنگين ، لخت چرمي طناب و طناب، طناب و طناب آلومینیم، پالايشگاه نفتي "سه لختي" شناور گاز از کارخانه فيبر شيميايي، آب ضربه ي آب زباله، لخت زيستي شيميايي آبجويي، لخته ی خیس، دی اکسید الکترولیتیک مانگا، لطیف غله ی غلات، لطیف ستاره لطیف معدن ، لطیف شلیک کربید ، لطیف کاولین ، لطیف شستن گیاه زغال زغال سينتري گياه فولادي گياه فولادي ما طراحي خاصي در فیلتر فشار کمربند داريم تا به مشتري ها کمک کنن تا ظرفيت درمان فاضلاب رو بهبود بيارن کاهش محتواي کيک و هزينه عملياتي کاهش بده

● سیستم موضعی سازی مادی می تواند بر اساس مواد و نیازهای آب طراحی شود. ميتونه اثرات خوبي به دست بياره
● مواد کمربند را بر اساس مواد پردازش انتخاب کنید. کمربند فیلتر اجرای خوبی از فیلتری، دوباره بازسازی و لختی برای اطمینان حاصل کردن اثر عالی از تخلیه ی ماده دارد.
● با پمپ آب، فیلتر و لوله پاش آب، و غیره عوارض بازسازی کمربند فیلتر خوبه، لوله اسپری آب آسون است و مصرف آب کوچک است کمربند فیلتر می تواند با آب مرخصی شست.
● تغییر سرعت کمربند ساده است و بهترین سرعت کمربند را انتخاب می کند.
● منطقه ي جاذبه ي جاذبه با چندين ضربه ي شخم ماده داره که فشار سطحي از مواد رو از بين ميبره و تاثير آب رو بهبود ميده
● طول کشیدن منطقه ی فضایی، مخصوصاً برای عوض کردن بعضی مواد هایی که برای پردازش سخت است، مناسب است، اگر چسبناک باشند و با فیبرها، رشته ها و ردیابی های دیگر (مثل چاپ و لطیف DLYing) تنش و تغییر تغییر کمربند فیلتر می تواند به طور خودکار به دلیل اجزای شنوایی کنترل کند. تنظیم و حفظ کردن راحت میشه، ثابت و قابل اعتماد نگه میداره. درجه اتوماتیک کل ماشین بسیار بالا است، و شدت کارگرهای کاری کم است. طراحی باز ماشین کامل برای مشاهده ی عملیات تجهیزات را راه اندازی می کند، و سازگاری و نگهداری را راه اندازی می کند.)

