پالایۀ هشکار
مقدمات وسایلی
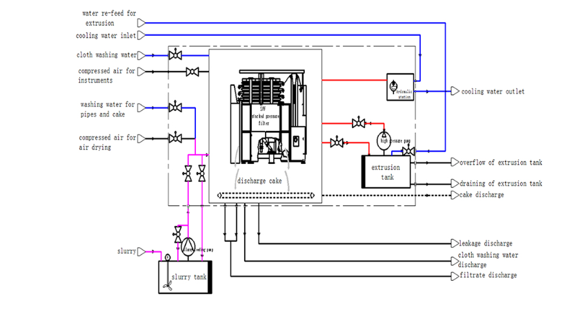
فیلتر فشار انبار اس.پی... انرژی ذخیره و تجهیزات باهوشی از فشار پمپ غذاي سلولها استفاده کامل ميکنه و از پارچه فیلتر به عنوان متوسط فیلتر برای جدا کردن مایع جامد و مایع از لطیف استفاده کنید.
● از ساختار بسته شده برای صفحه ها استفاده کنید و از دستگاه راهنمایی کمکی استفاده کنید تا عملیات ثابت تر شود.
● یکپارچه فیلتری، اکسیژن، شستن، خشک کردن هوا، خالی کردن کیک و شستن پارچه با هم.
● فشار اکسیژن تا ۱.۶ امپی، به طور گسترده ای در میدان استفاده می شود که برای رطوبت کیک مورد استفاده قرار دارد.
● استفاده از سیستم کنترل هیدرولیک، عملیات پایدار و با مصرف انرژی کم است.
● یکپارچه PLC، HMI و سیستم کنترل سازها و غیره باهوش به همدیگر، فیلتر را بهتر و راحت تر می سازد.
● از دستگاه پاکسازی آب با فشار بالا استفاده کنید تا شستن لباس موثرتر باشد.
● طراحی با اتاق دایره، ساختار منطقی تر، کارایی برجسته تر.















